 
        
         Download in PDF format | more articles..
        Download in PDF format | more articles..
        
One of a set of articles from Ionocom on electronic design topics.
The output of the design process is a drawing set. This paper discusses what you should expect to find in a typical drawing set for an electronic product, whether developed in-house or delivered by a contract design company.
The primary output of the research, design and development process for an electronic product is an engineering drawing set describing the product. The drawing set typically contains many different types of documents, not all of which are "drawings" in the conventional sense.
The design specification is an input to the design process, telling the engineers the design requirements. During development it is updated with agreed changes so that ultimately it is also an output from the design process, describing what has actually been implemented.
The final design specification is what will be used to create the service manual, and what will inform the creation of the sales literature.
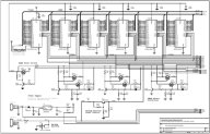
The schematic, or circuit diagram, is a representation of the interconnection of all the electrical components in a design.
 
        There is typically one schematic for each printed circuit board, although each schematic may have several pages. There may also be a top-level schematic showing how the PCBs and any off-board components are connected together.
The modern circuit diagram is typically produced by a "schematic capture" CAD system which has two outputs; a machine-readable netlist file that acts as an input to the printed circuit board design process, and a graphical circuit diagram for use by people, typically supplied as a PDF print.
The circuit diagram should be clean and tidy, understandable, and drawn to an agreed standard such as IEEE 315.
The PCB artwork describes the design of the printed circuit board.
The so-called Gerber files are a set of files typically in Gerber RS-274X format describing the pattern of copper, solder mask and silkscreen on the board, along with Excellon NC drill files describing the holes and other ancillary files such as a "readme". These are the files that are used by the PCB manufacturer to fabricate bare boards.
It is usual to combine all the files together in an archive such as a ZIP file.
Along with the PCB artwork the PCB manufacturer requires information such as the board material, thickness, tolerances, panelization, routing or scoring scheme, standards of workmanship and any other special instructions. It is usual to put all this information on a manufacturing drawing (or "fabrication drawing").
 
        For standards of workmanship it is usual to call up an external standard such as IPC-A-600.
The bill of materials (BOM) defines all the components used in the design, specifying them by manufacturer and manufacturer's part number.
A common mistake is for BOMs to refer to parts by vendor rather than manufacturer. This is not right: the engineering design should specify exactly which parts are required; deciding where to buy them is a purchasing and production activity.
The bill of materials for a printed circuit assembly should include all the electronic components, the PCB itself and all the other non-electrical components that actually end up in the finished assembly such as heatsinks, screws, washers, adhesives and labels.
The BOM may be supplied in two forms: a consolidated list of parts showing the total quantity of each in a format useful for purchasing; and an explicit list of every component, identified by reference designator, in a format more useful for production. Alternatively, it is also common to provide a single document that attempts to do both jobs.
For designs that include several printed circuit assemblies, or off-board parts and assemblies, in addition to a BOM for each assembly there may also be a master drawing or document showing the overall structure of the product.
If the design includes small, custom piece parts such as heatsinks, brackets, battery contacts, etc., then each part will have a drawing.
 
        The part drawings specify the material, dimensions, tolerances and finish of the parts. They will be used by vendors to provide quotes and then manufacture the parts, and may also be used for incoming inspection when the parts are delivered.
For non-critical custom parts, where the vendor will be selected at the time of manufacture, a drawing as described above is used.
Other custom parts in the design may be more critical and the BOM may specify a small number of items which have been evaluated and approved. Typical of this type of part are crystals with custom frequencies. Here a procurement specification is used to describe the requirements. This document is supplied to potential new vendors to describe what is needed. The vendor makes sample parts meeting the specification, assigns them a custom part number and supplies them for evaluation. If they are acceptable the part is added to the BOM as an approved alternate.
If the design includes a microprocessor then the program that it runs ("firmware") will be part of the design.
The drawing set should include the firmware object code that is actually programmed into the device, typically in the form of an "Intel hex" or "Motorola S-record" format file that can be read by production programming equipment. Similarly, the drawing set should include programming files for other programmed devices such as PLDs and FPGAs.
For each printed circuit assembly there should be an assembly drawing showing how and where the components are fitted to the board.
 
        The basis of this drawing will be a diagram of each side of the PCB showing the outline, the tracks and the location of all the components. This will likely be produced by the PCB CAD system.
Although PCB assembly houses ("board stuffers") can work from the minimal data in the PCB artwork archive (the "Gerbers"), it is much better if there is an actual assembly drawing to provide additional information.
Added information includes notes on component orientation and polarisation; assembly details for non-electrical components such as shielding cans, heatsinks and fasteners; warnings and cautions for components that are hazardous (e.g. batteries) or subject to process constraints (e.g. cannot be washed); a list of "do not fit" components; marking requirements (e.g. serial numbers); and any other information necessary to describe the finished assembly.
The assembly drawing need not include detailed dimensions for the positioning of the electronic components. This information should have been produced by the PCB CAD system as an "insertion location" or "pick and place" file and is typically included in the PCB artwork archive.
For standards of workmanship it is usual to call up an external standard such as IPC-A-610.
If the scope of the design includes off-board components, or more than one printed circuit assembly, then there may also be general assembly drawings showing how the parts are assembled together.
 
        These general assembly drawings are traditionally CAD drawings, but more recently digital photos are being used. This allows the drawings to be produced more quickly, typically with greater detail and clarity.
Production test specifications define the tests that are to be performed on a completed assembly.
It is not the function of production tests to ensure that the design is good; this should have been confirmed in prototype testing long before the product gets to production. Rather, it is the function of production tests to ensure that each particular unit has been built correctly.
A test specification should at minimum contain a list of tests, for each one specifying the stimuli that are to be applied, the signal that is to be measured, and the acceptable limits for the measurement.
Tests specified for printed circuit assemblies are typically "functional" tests, exercising the various functional blocks of the circuit. It is also possible for production testing to include "bed-of-nails" tests which simply measure the individual components by connecting to the board with a large number of test probes. This type of testing is typically organised by the assembly house and is not the subject of test specifications.
The circuit description (or "theory of operation") document describes how the design works in detail, at the component level. It describes the basic principles, the actual implementation, and any novel or clever aspects of the design.
The target audience is technicians and others in production who need to understand the design in order to troubleshoot the manufacturing process, or fix individual faulty units.
If design work is contracted out there are some additional items that you will want to be included in the final deliverables. These items are not strictly part of the engineering drawing set (defining the manufactured product) but rather, they are the source of the engineering drawings. Having these items will be vital to facilitate ongoing fixes, improvements and future development work.
The deliverables should include the schematic capture CAD files in their native format. This will typically comprise a CAD file for the particular job plus one or more library files from which the parts are drawn.
The deliverables should include the PCB layout CAD files, produced by whatever CAD system was used to design the board. Changes cannot be made to the PCB layout without these files.
Whereas the Gerber formats are industry standard, produced by all CAD systems and useable by all PCB manufacturers, the format of the CAD files is invariably proprietary and depends on the actual CAD system used.
The deliverables should include the firmware source code, typically as a set of text files containing 'C' or assembly language. The source code should be clean, readable and adequately commented.
The deliverables should also include any batch files, "makefiles" or specially written programs that are needed to build the object code from the source.
Source code should similarly be included for any other programmed devices such as PLDs and FPGAs. This will typically be in a hardware description language such as VHDL or Verilog.
For all sources the standard off-the-shelf tools (such as the schematic and PCB CAD package, assemblers and compilers) are not usually part of the deliverables but should be clearly identified by name and version number.
In a contracted-out design the circuit description has an additional purpose; to act as a reference for other engineers when the design is updated in future.
The deliverables should therefore include a more comprehensive circuit description. In addition to block diagrams and schematic fragments the document will typically contain explanations of design decisions, design calculations and simulation results, and plots of measurements made on prototypes.
Along with the drawing set the other typical output from the design and development process is a small number of prototypes.
Prototypes allow the design to be verified and, if the prototypes are built from the drawing set, also allow the drawing set itself to be proven.
Matthew Kendall is a principal of Ionocom Communications Inc., Vancouver, BC.
He has worked in electronic product design since 1987, first in Reading, England, and lately in Vancouver, BC, Canada.
He can be reached by email at matthew@ionocom.com.